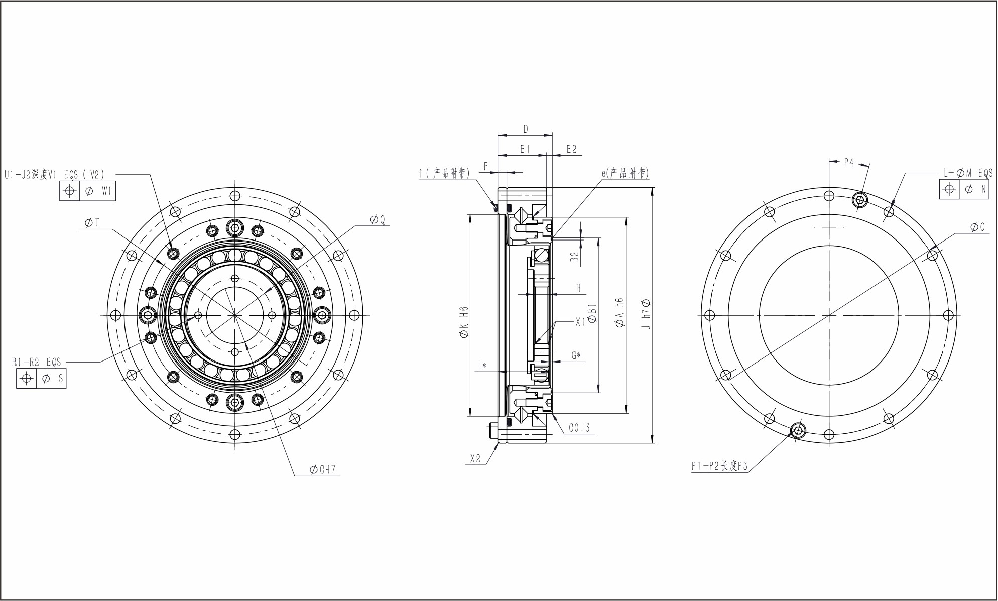
HMHD-Ⅲ系列是追求扁平極限的類型。與HMHG系列相比,軸向長度約縮短了50%。柔輪為超薄中空翻邊結構,在輸出側組裝有高剛性交叉滾子軸承。非常適合要求平坦設計的應用。
-
產品特點
超薄型形狀;中空結構
緊湊簡潔的設計高轉矩容量
高剛性輸入輸出同軸優(yōu)良的定位精度和旋轉精度


郵箱:maoyanyong@zncdkj.com
地址:江蘇省南通市海安市城東鎮(zhèn)和順路68號
HMHD-Ⅲ系列是追求扁平極限的類型。與HMHG系列相比,軸向長度約縮短了50%。柔輪為超薄中空翻邊結構,在輸出側組裝有高剛性交叉滾子軸承。非常適合要求平坦設計的應用。
產品特點


客服電話
0513-88851556
上班時間
周一到周五