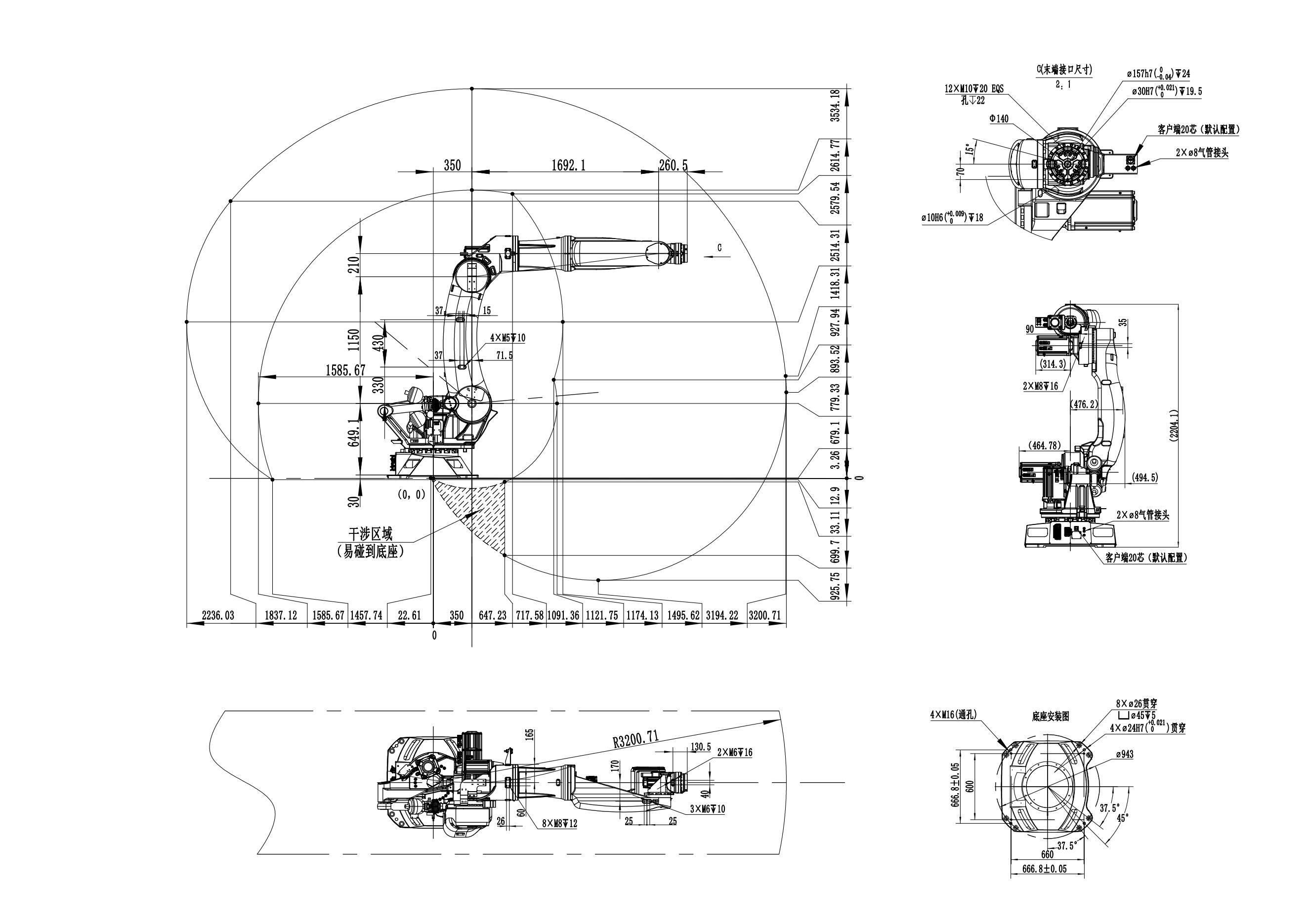
型號:TR155-3200B(原RRB6600) 負載:155kg 臂長:3200mm

參數表
| TR155-3200B | |||
| 額定負載 | 155kg | ||
| 臂長 | 3200mm | ||
| 重復定位精度 | ±0.1mm | ||
| 防護等級 | IP54/IP65(5、6軸可選) | ||
| 結構形式 | 垂直多關節串聯結構 | ||
| 軸數 | 6 | ||
| 最大速度 | J1 | 110°/s | |
| J2 | 83°/s | ||
| J3 | 95°/s | ||
| J4 | 150°/s | ||
| J5 | 150°/s | ||
| J6 | 200°/s | ||
| 最大動作范圍 | J1 | ±185° | |
| J2 | -40°~85° | ||
| J3 | -180°~75° | ||
| J4 | ±360° | ||
| J5 | ±125° | ||
| J6 | ±360° | ||
| 腕部允許扭矩 | J4 | 1000Nm |
|
| J5 | 1000Nm | ||
| J6 | 600Nm | ||
| 腕部允許最大慣量 | J4 | 89kgm2 | |
| J5 | 89kgm2 | ||
| J6 | 49kgm2 | ||
| 額定功率 | 7.5kw | ||
| 用戶配線 | RVV20*0.2 | ||
| 用戶配管 | 2*Φ8mm | ||
| 用戶配電 | 三相AC380V-10%~+10% | ||
| 適用環境 | 運行環境溫度 | 0~45°C | |
| 環境濕度 | 10%~80%RH | ||
| 最大溫度梯度 | 1.5°C/min | ||
| 本體重量 | 1320kg |
||
| 適用控制柜 | TRC3-D06 | ||
| 安裝方式 | 落地 |
||
參數圖

